Electric Fence Circuit Diagram 12v Pdf Electric Fence Circuit Control Diagram Seekic Voltage Ariel Keyword Wang Published Author 220v
The control circuit of electric fence part 6. Circuit battery charger diagram solar 12v sla projects controller charge electronics project electrical engineering led electronic diy power flashes electric. Sandra: more diy wind turbine electric fan
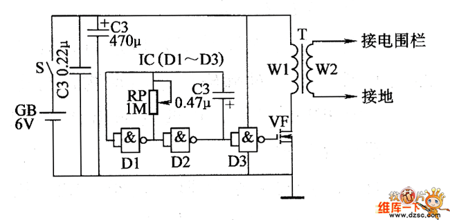
electric fence circuit diagram 12v pdf
Download PDF
Electric fence circuit control diagram seekic voltage ariel keyword wang published author 220v


Electric fence control circuit 7. Single line diagram of 11kv substation. Electric fence diagram charger window schematic. The control circuit of electric fence part 7
Single Line Diagram Of 11kv Substation - Diagram Media
Index 1774 - Circuit Diagram - SeekIC.com
Electric Fence Circuit Diagram 12v: Electric Window/Fence Charger
the control circuit of electric fence part 6 - Automotive_Circuit
the control circuit of electric fence part 4 - Automotive_Circuit

Tidak ada komentar:
Posting Komentar