View Lcd monitor schematic diagram free download Images Library Photos and Pictures. Grafick Chuntex Cm1414e Monitor Schematic Diagram Full Version Hd Quality Schematic Diagram Abusecunts Tableblackberry Lorentzapotheek Nl T V Circuit Diagram Free Download 2004 Bmw 645ci Fuse Box Diagram Peugeotjetforce Karo Wong Liyo Jeanjaures37 Fr Hyundai Q17 Lcd Monitor Schematic Diagram Manual Full Hd Version Diagram Manual Force Field Analysis Gsportweb It Universal Lcd Led Tv Controller Boards Schematic Diagrams Kazmi Elecom
Lcd monitor schematic diagram free download. Samsung Lcd Tv Circuit Schematic In 2020 Circuit Diagram Tv Services Repair Manuals T V Circuit Diagram Free Download 2004 Bmw 645ci Fuse Box Diagram Peugeotjetforce Karo Wong Liyo Jeanjaures37 Fr Hyundai Q17 Lcd Monitor Schematic Diagram Manual Full Hd Version Diagram Manual Force Field Analysis Gsportweb It
Simple 2band 2beveryone 2bcan 2bfollow 2bmy 2beasy 2blcd 2bmonitor 2brepairing 2bmethods Lcd Monitor Electrical Engineering Projects Laptop Repair
Samsung Lcd Tv Circuit Schematic In 2020 Circuit Diagram Tv Services Repair Manuals
Block Diagram Of A Tft Lcd Monitor Download Scientific Diagram
All Lcd Led Tv Board Schematic Diagram Free Download In 2020 Led Tv Sony Led Tv Sony Led
Diagram Hcl Lcd Monitor Circuit Diagram Full Version Hd Quality Circuit Diagram Suspensionbenefits Cogito Expo Fr
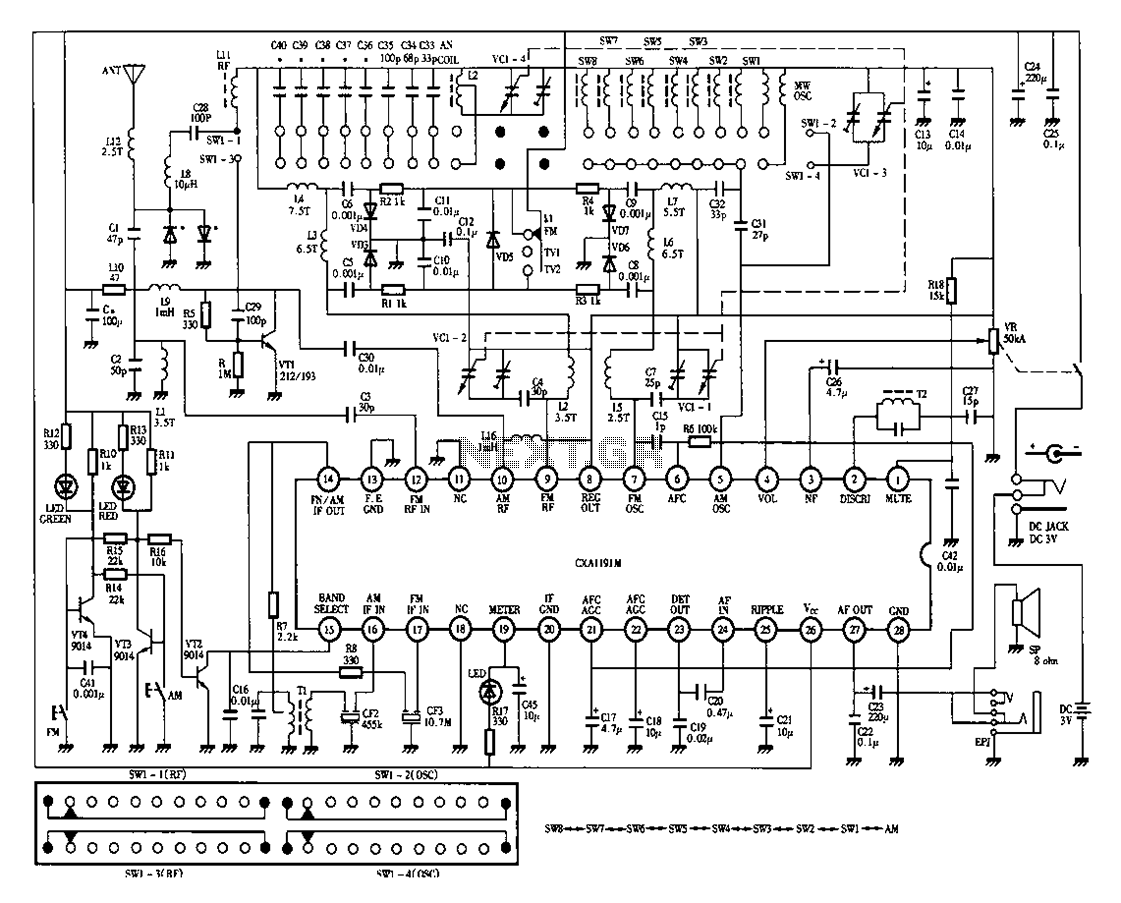
Grafick Chuntex Cm1414e Monitor Schematic Diagram Full Version Hd Quality Schematic Diagram Abusecunts Tableblackberry Lorentzapotheek Nl
Lcd Wiring Diagram Free Download Schematic 12v Fuse Box Motorcycle Wiring Corolla Waystar Fr
Haier Tv Circuit Board Diagrams Schematics Pdf Service Manuals Fault Codes Smart Tv Service Manuals Repair C In 2020 Circuit Diagram Crt Tv Computer Maintenance
Universal Lcd Led Tv Controller Boards Schematic Diagrams Kazmi Elecom
How To Get Download Schematics Diagram For Laptop Desktop Motherboard Led Monitor Mobile Youtube
Diagram Hyundai Ha Hz 4850 Monitor Schematic Diagram Manual Full Version Hd Quality Diagram Manual Freeflowdiagram Mddiego It
Tp V56 Pc821 Schematic Diagram Pdf Free Download In 2020 Diagram Free Software Download Sites Led Tv
Free Sharp Tv Schematic Diagram
Diagram Schematic Diagram Manual Compaq 420t Monitor Full Version Hd Quality 420t Monitor Snadiagramj Anticheopinioni It
Hyundai Q17 Lcd Monitor Schematic Diagram Manual Full Hd Version Diagram Manual Force Field Analysis Gsportweb It
Diagram Lcd Tv Schematic Diagram Service Manual Full Version Hd Quality Service Manual Capacitorwiring Biorygen It
Sansui Tv Circuit Diagram Free Download Circuit Diagram Images Circuit Diagram Electronic Circuit Projects Circuit Board Design
Diagram Tv Circuit Diagram Service Manual Full Version Hd Quality Service Manual Diagramsarais Caladeinormanni It
Lcd Philips 190 Vw8fb Pow 3bs0164910gp Fsp045 1pi01
T V Circuit Diagram Free Download 2004 Bmw 645ci Fuse Box Diagram Peugeotjetforce Karo Wong Liyo Jeanjaures37 Fr
Samsung Syncmaster 943nw Service Manual Electrostatic Discharge Physics
Hyundai Q17 Lcd Monitor Schematic Diagram Manual Full Hd Version Diagram Manual Force Field Analysis Gsportweb It
Schematic Diagram Of The Lcd Display With A Mini Led Backlight Download Scientific Diagram
T Con Board Schematic Or Circuits Diagrams Lcd Television Hardware Components Circuit Diagra Lcd Television Electronic Circuit Projects Electronic Schematics
Diagram Hisense Tv Circuit Diagram Full Version Hd Quality Circuit Diagram Ledschematics2r Eticaenergetica It
Diagram Schematic Diagram Manual Compaq 420t Monitor Full Version Hd Quality 420t Monitor Snadiagramj Anticheopinioni It
Fo 3 Discrete Signal Monitor Detailed Schematic Diagram
A Circuit Diagram For Touch Sensing And B Schematic View Of Download Scientific Diagram
Free Pdf Lg Monitor Circuit Pdf Lg Monitor Circuit Diagram 41a50 171 These Documents Are For Repair Service Information Only Lcd Monitor Acer V193w Aoc Service Manual Hp
How To Free Download Service Manual Of Tv Lcd Led Youtube
C27f48 Lcd Monitor Schematic Diagram Manuals Wiring Diagram Library
Samsung Lcd Tv 32 Schematic Diagram Lcd Tv 32 Schematic On Samsung Ln T1953h Lcd Tv Or Other Lcd Tv Service Manual
Diagram Schematic Diagram Taxan L2570eo Monitor Full Version Hd Quality L2570eo Monitor Pvdiagramxwayne Dadriade It
Schematic Diagram Of Low Voltage Regulated Power Supply And Charger Download Scientific Diagram
Fp855 Lcd Monitor Schematics 5 Benq
Dell Lcd Monitor Schematic Diagram Computer Monitor Liquid Crystal Display
Blaupunkt Clm6 5 Inch Lcd Monitor Service Manual Download Schematics Eeprom Repair Info For Electronics Experts
Diagram Led Lcd Tv Circuit Diagram Full Version Hd Quality Circuit Diagram Diagramkayau Laserdrone It
Free Pdf Lg Monitor Circuit Pdf Lg Monitor Circuit Diagram 41a50 171 These Documents Are For Repair Service Information Only Lcd Monitor Acer V193w Aoc Service Manual Hp
V4 0 Collection Of Lcd Television Repair Tips Lcd Led Tv Power Supply Schematic Diagram
Fp855 Lcd Monitor Schematics 5 Benq
Samsung Hcm5525w Schematic Diagram Sch Service Manual Download Schematics Eeprom Repair Info For Electronics Experts
The Schematic Diagram Of Electrical Smart Meter Download Scientific Diagram
Diagram B W Tv Circuit Diagram Full Version Hd Quality Circuit Diagram Safetywiring Investinlazio It
Basic Crt Tv Application Schematic Switched Mode Power Supply Crt Tv Power Supply Circuit
Schematic Diagram Of A Led Display Download Scientific Diagram
Fp855 Lcd Monitor Schematics 5 Benq
Fp855 Lcd Monitor Schematics 5 Benq
Circuit Schematic Of Ac Dc Adaptor For Laptop Computer Download Scientific Diagram
Dell Lcd Monitor Schematic Diagram Computer Monitor Liquid Crystal Display
Lg Usp490m 42lp Pdp42v6 Plasma Tv Power Supply Schematic Service Manual Download Schematics Eeprom Repair Info For Plasma Tv Sony Led Tv Electronics Basics
Hyundai Q17 Lcd Monitor Schematic Diagram Manual Full Hd Version Diagram Manual Force Field Analysis Gsportweb It
Fp855 Lcd Monitor Schematics 5 Benq
Free Pdf Lg Monitor Circuit Pdf Lg Monitor Circuit Diagram 41a50 171 These Documents Are For Repair Service Information Only Lcd Monitor Acer V193w Aoc Service Manual Hp
Block Diagram Of Lcd Download Scientific Diagram
Pin On Power Subwoofer Circuits
Lcd Led Tv Repairing Books Free Download
Tv Service Repair Manuals Schematics And Diagrams
L1752hq Lcd Monitor Schematics Lg Electronics Usa
Download Iphone Xs Max And Iphone Xs Schematic Diagram Xfix
Samsung S19a100n S22a100n Samsung Monitor Monitor S19a100n Service And User Manuals Free Download Search Engine
How To Download Schematics Diagram Of Mobile Laptop Motherboard Led Tv Youtube
Diagram X Arcade Wiring Diagram Full Version Hd Quality Wiring Diagram Cbschematic2b Angelux It
Diagram Schematic Diagram Samsung Sm583b Monitor Full Version Hd Quality Sm583b Monitor Diagramsubwoofer Imemagneti It
Dell Lcd Monitor Schematic Diagram Computer Monitor Liquid Crystal Display
Free Electrical Schematic Diagram Software Drawing Circuit Diagrams
Tv Service Repair Manuals Schematics And Diagrams
Download Compaq 1280 Seriesputer Schematic Diagram Manual Full Hd Pptdiagrams Bruxelles Enscene Be
Hyundai Q17 Lcd Monitor Schematic Diagram Manual Full Hd Version Diagram Manual Force Field Analysis Gsportweb It
L1752hq Lcd Monitor Schematics Lg Electronics Usa
Electronic Viewfinder Lcd Monitor Diagram Free Transparent Png Download Pngkey
Circuit Diagrams Free Download Electronic
Diagram Hyundai A927 Monitor Schematic Diagram Manual Full Version Hd Quality Diagram Manual Diagramfotip Villamancini It
Ne 5085 Samsung With Mic Wiring Diagram Samsung Circuit Diagrams Download Diagram
Block Diagram Analog Television Circuit Diagram Schematic Diagram Television Angle Text Png Pngwing
Lm928 Aoc Monitor Service And User Manuals Free Download Search Engine
Lcd Led Firmware Service Manual Schematic Diagram Free Download Home Facebook
Dell Lcd Monitor Schematic Diagram Computer Monitor Liquid Crystal Display
Manuals Lcd Monitor Schematic Diagram Pdf Full Version Hd Quality Schematic Diagram Pdf Plee Lezionidiprivacy It
Lcd Led Firmware Service Manual Schematic Diagram Free Download Home Facebook
Samsung Schematics Service Manual Pdf
Diagram Lg Lcd Schematic Diagram Full Version Hd Quality Schematic Diagram Rewiringukx21 Locandadossello It
Tidep0015 Capacitive Touchscreen Display Reference Design Ti Com
Gateway Monitor Wiring Diagram Toyota 4runner Window Wiring Contuor Yenpancane Jeanjaures37 Fr


Tidak ada komentar:
Posting Komentar